随着锂离子电池、光电催化等热门领域的兴起
电化学逐渐成为学术圈脍炙人口的词汇
那么,什么是电化学?
什么是电化学?
所谓的电化学,其实是电作用与化学作用相互关联的一个化学学科的分支,主要包括通过电流调整化学反应以及通过化学反应产电这两种类型。
其中就包括了大量的反应现象(电泳、腐蚀等)、各类器件(电致变色智能窗、各类电池、电分析传感器等)以及各类技术(金属电镀等)。

电化学测试装置
通过一些固定的输入(如恒电流、恒电压、阶梯电势等)来获取输出的电信号,从而反映出电极材料的界面结构、界面上的电势分布以及在这些界面上进行的电化学过程等,这就是我们常说的电化学测试。
电化学测试的方法很多,根据测试的特质可以分为以下几大类:稳态法、暂态法、伏安法、交流阻抗法等。在此之前,先对电化学测试最常用的三电极测试体系进行简单介绍。
什么是三电极体系?
所谓的三电极体系,是为了排除电极电势因极化电流而产生的较大误差而设计的。

三电极体系示意图
工作电极
工作电极又称研究电极,是指所研究的反应在该电极上发生。
一般来讲,对工作电极的基本要求是:工作电极可以是固体,也可以是液体,各式各样的能导电的固体材料均能用作电极。
(1)所研究的电化学反应不会因电极自身所发生的反应而受到影响,并且能够在较大的电位区域中进行测定;
(2)电极必须不与溶剂或电解液组分发生反应;
(3)电极面积不宜太大,电极表面最好应是均一平滑的,且能够通过简单的方法进行表面净化等。
工作电极的选择
通常根据研究的性质来预先确定电极材料,但最普通的“惰性”固体电极材料是玻碳(铂、金、银、铅和导电玻璃)等。

常用的工作电极
采用固体电极时,为了保证实验的重现性,必须注意建立合适的电极预处理步骤,以保证氧化还原、表面形貌和不存在吸附杂质的可重现状态。
在液体电极中,汞和汞齐是最常用的工作电极,它们都是液体,都有可重现的均相表面,制备和保持清洁都较容易,同时电极上高的氢析出超电势被广泛用于电化学分析中。
辅助电极
辅助电极又称对电极,辅助电极和工作电极组成回路,使工作电极上电流畅通,以保证所研究的反应在工作电极上发生,但必须无任何方式限制电池观测的响应。
由于工作电极发生氧化或还原反应时,辅助电极上可以安排为气体的析出反应或工作电极反应的逆反应,以使电解液组分不变,即辅助电极的性能一般不显著影响研究电极上的反应。
减少辅助电极上的反应对工作电极干扰的最好办法可能是:用烧结玻璃、多孔陶瓷或离子交换膜等来隔离两电极区的溶液。
辅助电极的选择
一般辅助电极需满足以下条件:性质稳定的材料,比如铂(铂丝、铂片、铂网)或者石墨(不同直径的石墨棒)。
为了减少对电极极化对工作电极的影响,对电极本身的电阻要小,并且不易极化,其面积通常要求大于工作电极。

碳棒电极
石墨棒电极的打磨十分简单,只需要准备细砂纸就可以完成打磨,重新使用。但是要注意一点,石墨棒最好不要在酸性和碱性电解液中混用,不然很容易在表面发生腐蚀,影响使用寿命。

铂片电极
铂电极的日常清理可以借助稀酸溶液,把铂电极在稀酸溶液中浸泡一会儿,就可以完成清理工作。
参比电极
参比电极是指一个已知电势的接近于理想不极化的电极。参比电极上基本没有电流通过,用于测定研究电极(相对于参比电极)的电极电势。
在控制电位实验中,因为参比半电池保持固定的电势,因而加到电化学池上的电势的任何变化值直接表现在工作电极 / 电解质溶液的界面上。
实际上,参比电极起着既提供热力学参比,又将工作电极作为研究体系隔离的双重作用。
参比电极的选择
不同研究体系可选择不同的参比电极。水溶液体系中常见的参比电极有:饱和甘汞电极(SCE)、Ag/AgCl 电极、标准氢电极(SHE 或 NHE)等。

SCE 电极
许多有机电化学测量是在非水溶剂中进行的,尽管水溶液参比电极也可以使用,但不可避免地会给体系带入水分,影响研究效果。因此,建议使用非水参比体系,常用的非水参比体系为Ag/Ag+(乙腈)。

Ag/Ag+ 电极
工业上常应用简易参比电极,或用辅助电极兼做参比电极 。
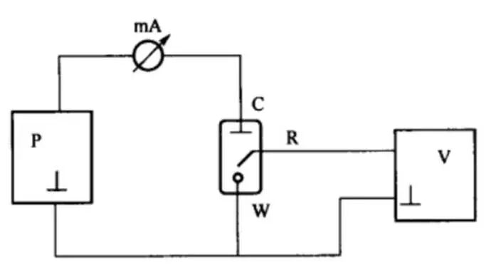
电解池由工作电极(W),对电极(C)以及参比电极(R)组成。W 是主要的电极研究和操作对象,R 是电势电极的比较标准,而 C 主要用以通过极化电流,实现对电极的极化。

常见的普通三电极电解池与电化学工作站连接示意图
三电极体系在电路中时,P 代表极化电源,为研究电极提供极化电流。mA 和 V 分别为电流表和电压表,用以测试电流和电势。

三电极体系电路图
P, mA, C, W 构成的左侧回路,称为极化回路,在极化回路中有极化电流通过,可对参比电极进行测量和控制。

极化回路
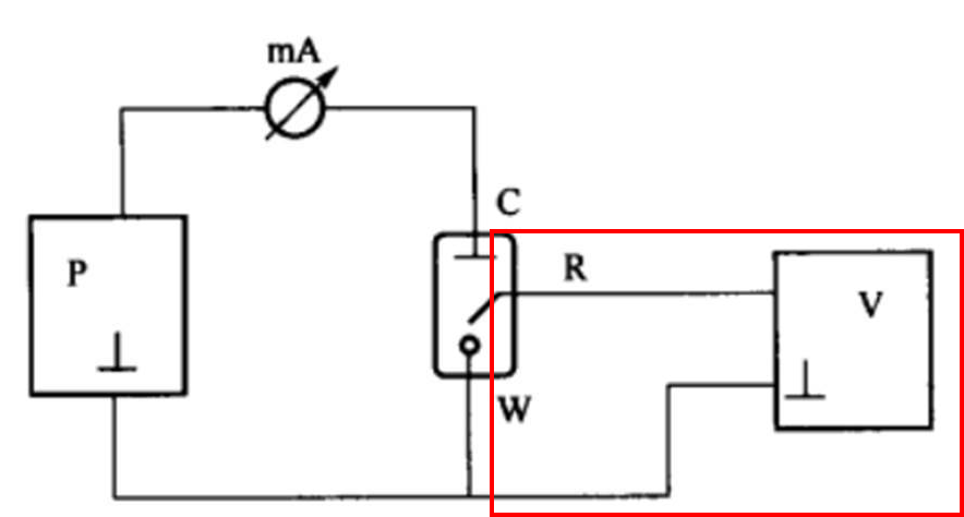
V, R, W 构成了右侧回路,称为测量控制回路。在此回路中,对研究电极的电势进行测量和控制,由于回路中无极化电流流过,仅有极小的测量电流,所以不会对研究电极的极化状态和参比电极的稳定性造成干扰。

控制回路
由此可见,三电极体系可使研究电极表面通过极化电流,又不会妨碍研究的电极电势的控制和测量,可同时实现电势和电流的控制和测量。所以,大部分电化学研究测试均在三电极体系完成。
本文源自微信公众号:中科蓝海ZKBO
原文标题:《电化学测试(一)三电极体系》
原文链接:https://mp.weixin.qq.com/s/D5eeA5zBLf2Nc-M_2GYAvw

